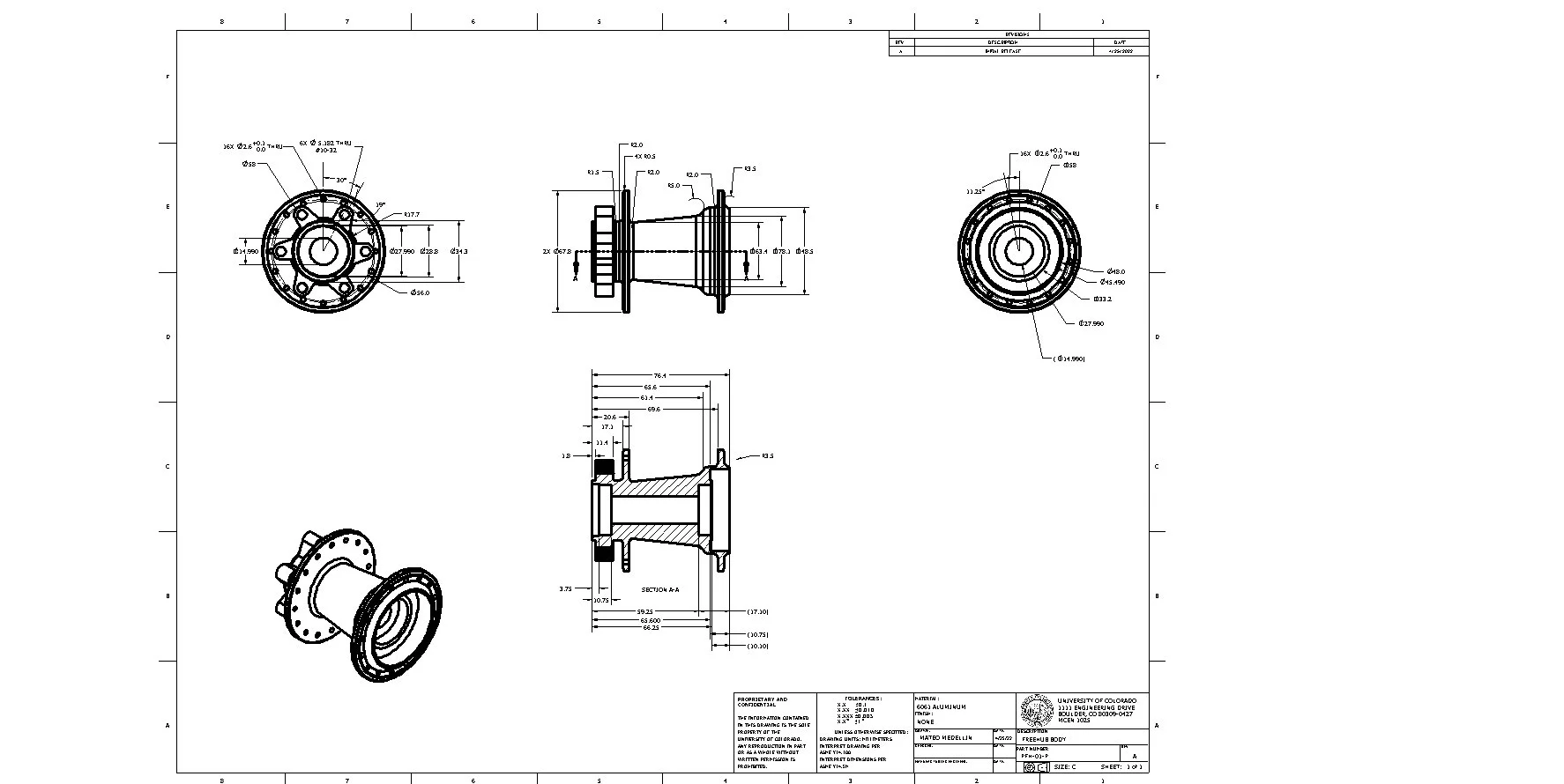
MOUNTAIN BIKE FREEHUB

Inspired by an enthusiasm for mountain biking, the goal of this project was to dissect and reverse engineer an existing freehub, and produce a model and drawings of it such that it could be manufactured.

 

 

The final result was 16 parts in 2 subassemblies (one with multiple configurations), and a set of drawings allowing the manufacturing and assembly of the freehub with industry standard tolerances. 

Previous
Previous

WOBBLER ENGINE

Next
Next

Firefighter Cooling Vest